TS 5000 ISM

Türhaftmagnet Wandmontage Zur Wandmontage mit Grundplatte

Türhaftmagnet Wandmontage Zubehör Türtechnik
  • Hohe Haltekraft von 490 N
  • Verdeckte Kabelzuführung und robustes Design
Kontaktieren Sie uns

Anwendungsbereiche

  • Einsatz für Feststellwinkel bis 180°, ideal für exaktes Feststellen
  • Einsatz in rauen Umgebungen wie Industriegebäuden
  • Versammlungs- und Sportstätten mit hohem Publikumsverkehr
  • Zugelassen für GEZE Feststellanlagen
  • Wandmontage

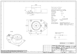
Technische Daten zum Produkt

Türhaftmagnet Wandmontage
Abmessungen 93 x 65 x 33 mm
Schutzart IP65 Magnet; IP20 Anschluss
Montageart Aufputz
Kabelzuführung Oben, Unten
Einsatzgebiet Innenbereich

Varianten & Zubehör

Kontakt

Wir helfen Ihnen gern +49-7152-203-0 Mo – Do: 7.30 – 17.00 Uhr /Fr: 7.30 – 16.00 Uhr Architektenhotline +49-7152-203-112 Mo – Do: 9.00- 16.00 Uhr / Fr: 9.00 – 15.00 Uhr Service Hotline +49-1802-923392 (0,06 € / Anruf aus dem Festnetz, Mobilfunk max. 0,42 €)