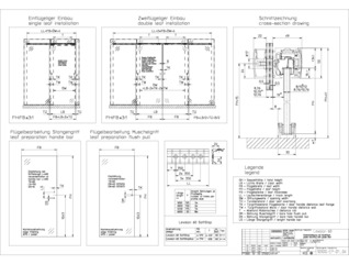
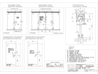
Komplettset Levolan 60 Schiebebeschlag Levolan für Flügelgewichte bis 60 kg
- Design-Schiebebeschlag für Glas und Holzflügel
Anwendungsbereiche
- Für Flügelgewichte bis 60 kg
- Für Glaselemente ESG 8, 10 und 12 mm sowie VSG bis 10 mm (mit zusätzlichem VSG-Kit) und Holzflügel bis zu einem Gewicht von 60 kg
- Für Wand- und Deckenbefestigung
- Geeignet für Innenbereich
Einbausituationen in Referenzobjekten und Videos
Technische Daten zum Produkt
| Komplettset Levolan 60 | |
| Flügelmaterial | Glas, Kunststoff, Metall, Holz |
| Flügelgewicht (max.) | 60 kg |
| Flügelgewicht (max.) mit Einzugsdämpfung | 60 kg |
| Flügelanzahl | 1-flügelig, 2-flügelig |
| Flügelbreite (min.) | 400 mm |
| Flügelbreite (max.) | 1240 mm |
| Prüfzyklen | 100000 |
| Korrosionsschutzklasse | 3 |
| Glasstärke | 8 - 12 mm |
| Montageart | Wand, Decke |
| Festfeld | Ja |